FixYourBoard.com, LLC

FixYourBoard

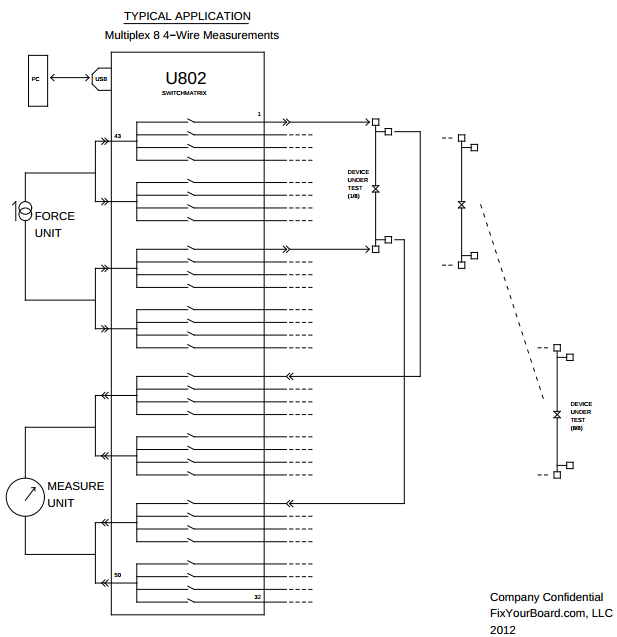
U802 | Custom | Custom Relay Matrix Control

Image 1 of U802

Already Got Your Board Back? We welcome your feedback. Feedback

Have us refurbish your control U802

  • Reduce environmental refuse
  • Revive your broken appliance even if the control board is obsolete or no longer available (NLA)
  • Save money compared to buying new and get a longer warranty

A rebuild has guaranteed results

  • We warranty our workmanship for 2 years on all our repairs
  • Workorder includes a final test summary report and root cause analysis
  • Video demo of automated test

ORDER OPTIONS

  • Repair Service
    $400  + return shipping ship it

Home | Boards | How it Works | Reviews | TechZone | Touchpads | About Us | Contact Us