FixYourBoard.com, LLC

FixYourBoard

NHT SW12 Output Stage 250 Watt Sub-woofer Driver Failure

Immediately Blows Fuse

  • ModelNHT NHT-12SW
  • Symptoms
  • Immediately Blows Fuse
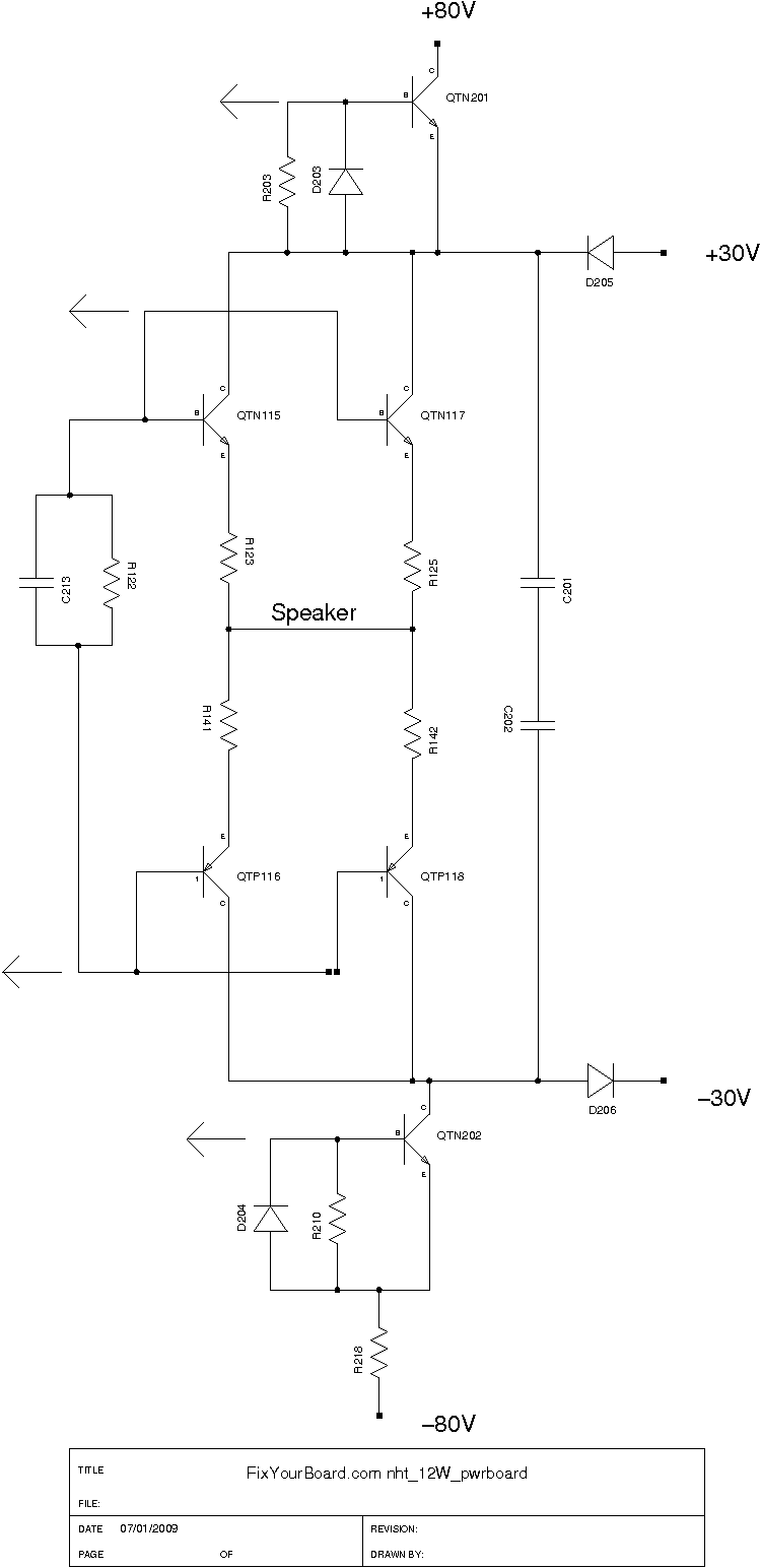
Output Driver Schematic Output Driver PCB Board
  • Procedure
  • If your amplifier is blowing the fuse in the AC plug housing, your output driver may be damaged
  • Be sure that the unit has been un-plugged for 10 minutes before taking this apart
  • The power amplifier is one of three boards that is located inside your sub
  • It has two ribbon cables soldered to the pre-amp board
  • You need to unscrew the power amp board and the pre-amp board from the housing
  • Do not detach the soldered ribbon cables
  • Using an ohm meter, check across all transistors to make sure they are not shorted. All terminals on the transistors need to be checked to the other two terminals. The ohm meter should read open circuit except for the base and emitter of QTN201 and QTN202. These have a resistance of 1Kohm.

  • Parallel devices like QTN115 and QTN117 must be replaced together
  • Look for any signs of damage/burns on ballast resistors R123,R125,R141 and R142
  • All transistors that are removed from the heat sink need heat sink grease re-applied

Home | Boards | How it Works | Reviews | TechZone | Touchpads | About Us | Contact Us